
![]() |
プッシュプル電力増幅回路(自己バイアス) |
さあ、いよいよパワー段の定番、プッシュプル回路の設計である。しかし、実はプッシュプル回路の動作はけっこう複雑で、すっきりさわやかに設計する手法はあまり無いようなのである。原理編で解説したように、プッシュプルにはA級、AB級、B級とあり、それぞれ動作のしかたが変わるし、さらにこの3つははっきりと分けられることなく連続していて、一筋縄ではいかない。
何度も言うようだが、もっとも確実なのは、選んだ球のスペックに載っている推奨動作点を使うことである。たいがいのパワー管には、AB級プッシュプル回路のデータが載っている。その動作点以外で使いたいときは自力で設計するわけだが、ここでは例によってロードラインを使った簡単な設計法を紹介することにしよう。詳しくて難しい話は専門的な他書に譲ることにして、ここではさらっと行くことにする(と、言うほどさらっとしていないが)
B級プッシュプルの1/4ロードラインによる設計
プッシュプルでは、1/4ロードラインというものを使って設計できる。1/4ロードラインとは、出力トランスの1次側インピーダンスの1/4の抵抗値でロードラインを引くということである。なので、ロードラインを引いてあれこれ検討したら、最後の最後に、そのロードラインの抵抗値の4倍の1次側インピーダンスを持ったトランスを使う、ということである。
それでは、ここでは、本来は電圧増幅に使う12AU7でプッシュプル電力増幅をする回路を例として解説しよう。プッシュプルの場合も、負荷抵抗(出力トランスの1次側インピーダンス)と電源電圧とバイアス点の3つの値を決めることは変わりないのだが、ここではまず説明のため、先に負荷抵抗値をエイヤと決めて進めてみよう。1/4負荷を5kΩとして、プッシュプル動作で一番極端な動作をするB級について考える。まず、電源電圧を仮に200Vにして5kΩのロードラインを引くと次の図のようになる。
![]() |
| 12AU7 B級プッシュプル電力増幅の1/4負荷抵抗5kΩのロードライン |
ipm epm ipm epm
Po = ----- ----- = ---------- …(1式)
√2 √2 2
今回の12AU7プッシュプルの例ではipm=16mA、epm=76Vなので
16×10-3 ・ 76
Po = --------------- = 0.61W …(2式)
2
ということで、0.61Wの出力が得られている。![]() |
| 電源電圧を上げると出力が大きくなって行く様子 |
ipm Ep0 ipm epm
PD = ---------- - --------- …(3式)
2√2 4
前述の例でこれを計算すると、ipm=16mA、epm=76V、Ep0=200Vなので0.83Wになる。12AU7の最大プレート損失は2.75Wなのでまだかなり余裕がある。そこで電源電圧を上げて行くとロードラインは右にずれて行き、出力も上がって行く。それではここで、12AU7の最大プレート電圧300Vいっぱいまで電源電圧を上げてみよう。すると、次の図のようになる。![]() |
| 12AU7 B級プッシュプル電力増幅の1/4負荷抵抗5kΩのロードライン。電源電圧300Vのとき |
ipm epm 25(mA) ・ 125(V)
Po = ---------- = ---------------- = 1.56W …(4式)
2 2
と計算できる。電源電圧が200Vだったときの3倍近くの1.56Wが得られることが分かる。
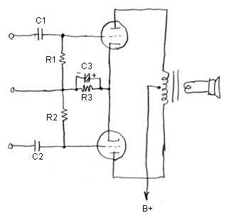
これで、いま、固定バイアスの回路を考えると、300Vでカットオフの時のグリッド電圧がおよそ-22VなのでC電源は-22Vになる。最大出力が得られるときの信号電圧のpp(peak-to-peak)値は、-22Vを2倍して44Vppになる。グリッドリーク抵抗のR1、R2は、電圧増幅のところで説明したことから、ここでは470kΩ、C1、C2は周波数特性に関係していてここで説明したことから決めることができ、ここでは0.1μFを使った。トランスについては、1/4負荷抵抗が5kΩだったわけなので、その4倍の20kΩが1次側インピーダンスのトランスを使う。結局、図のような回路が設計できたわけだ。
![]() |
1/4ロードラインで設計した12AU7 B級プッシュプル電力増幅 |
![]() |
クロスオーバー歪 |
![]() |
| 12AU7 AB級プッシュプル電力増幅のロードライン |
![]() |
| AB級プッシュプルの動作パターン |
PD0 = Ep0 ・ Ip0 = 30(V) ・ 6.2(mA) = 1.86W …(5式)最大信号が入ったのプレート損失PDSは、あくまで概算だが、だいたいipmにバイアス電流分IP0(ロードラインの図の(A)点のプレート電流)が加わったていどになる。
(ipm + Ip0 ) Ep0 ipm epm (25 + 6.2)・300 25・125
PDS = ---------------- - -------- = -------------- - ------ = 2.53W …(6式)
2√2 4 2√2 4
これで、ゼロ信号のとき1.86W、最大信号のとき2.53Wということで、どちらも12AU7の最大プレート損失2.75W以下なのでこれで大丈夫であることが分かる。ここで超えてしまったら、電源電圧などを下げてもう一回やり直して決めてゆくのである。
Eg0 14(V)
Rk = ------ = ------------- = 1.1kΩ …(7式)
2 Ip0 2 ・ 6.2(mA)
このときの出力電力だが、B級で計算したときと同じ1.56Wになる。なぜかというと、先の図「AB級プッシュプルの動作パターン」の右の(B)をよく見ると分かるのだが、最大出力のときの信号の片側の電圧と電流の値(epmとipm)は結局、B級のときと変らないのである。したがって出力電力もまったく変らない。![]() |
設計した12AU7 AB級プッシュプル電力増幅 |
![]() |
12AU7 A級プッシュプル電力増幅のロードライン(ただしプレート損失超えなのでNG) |
このように完全にA級になると事実上1/2ロードラインだけになる。ただし、AB級のときと同じように依然として出力される信号の片側の電圧と電流の値(epmとipm)はB級やAB級のときと変らないので、得られる出力は依然として1.56Wである。
これで分かるように、バイアスだけをB級からAB級、A級へと変化させても出力電力は変わらない。A級よりAB級、AB級よりB級の方がパワーがでかいんだからバイアスをいじってB級にしてパワーを出そう、という誤解をしている人がいるが、電源電圧と負荷抵抗を変えずにバイアスだけを変えても出てくるパワーは変わらないのである。
ではなぜ、B級ほどパワーがでかい、と言うかというと、B級に近くなるほど真空管のプレート損失に余裕が出てくるので、その分、電源電圧を高くして負荷抵抗を調節して、パワーを大きくとれる動作点を取って設計できるからである。
現に、実は上記の図のA級プッシュプルの動作点だが、これはNGである。なぜかというとバイアスの(A)点が最大プレート損失2.75Wのラインを超えてしまっているからである。これでは真空管がいかれてしまうので、電源電圧を落として設計し直さないといけない。そこで電源電圧を250Vに落としてA級プッシュプルのロードラインを引いてみると次の図のようになる。
![]() |
12AU7 A級プッシュプル電力増幅のロードライン |
Pd = 10.05×10-3 ・ 250 = 2.51W …(8式)と計算でき、2.51Wであることが分かる。したがって最大プレート損失の2.75Wを下回っている。
Eg0 8.3(V)
Rk = ------ = --------------- = 410Ω …(9式)
2 Ip0 2 ・ 10.05(mA)
得られる出力電力だが、ロードラインの図より、最大出力のときの信号の片側の電圧がepm=100V、電流がipm=21mAなので、以前の(1)式を使って次のように計算できる。
ipm epm 21×10-3 ・ 100
Po = ---------- = --------------- = 1.05W …(10式)
2 2
最大出力を得るのに必要な入力電圧は、グリッド電圧のEg0がサイン波の片側分なのでこれを2倍して、16.6Vp-pの入力信号になる。電源電圧はカソード抵抗の両端の電圧8.3V分だけかさ上げして258Vになる。これで、次の図のようなA級プッシュプルの回路が設計できた。
![]() |
設計した12AU7 A級プッシュプル電力増幅 |
このようにA級になると、電源電圧を落としたせいで結果的に出力が1.05Wに落ちている。B級とAB級のときは1.56Wで同じだったが、B級のときはプレート損失が1.9Wで最大定格の2.75Wまでかなり余裕があり、300Vよりもっと電源電圧を上げれば1.56Wよりもっとパワーが出るのである。ただし、今度はプレート電圧の最大定格の300Vに引っかかってしまい電源電圧は300V以上には上げられない。なので今度は、負荷抵抗の値をあれこれいじって一番効率がよいところを探すことになる。やってみると見つかるかもしれない。
という風に、やっているうちにどうもパワーゲームになってしまいがちなところがパワー段の設計の一般的傾向かもしれない。前の方で忠告しておいたが、パワーが出りゃいいってもんじゃない。アンプの設計目標は、パワー、歪、音質、見た目、そのほかいくらでもあるわけで、まあ、結局、ロードラインをいじって好きに設計してみたらいかがだろう。
それから、5極管のプッシュプルだが、上記に加えてスクリーングリッド損失を考えないといけないのでさらに厄介である。メーカー推奨の動作例を参照するのが無難かもしれない。詳しい設計法については他書に譲るが、いろいろやっていれば類推はできるはずである。この辺になると設計法がどうの、というより「何事も経験」であろう。