
設計のしかた
5極管の設計も、基本的なやり方は3極管と同じである。同じく、まず規格表を見て、そこに載っている推奨動作例を使うのがもっとも無難である。
動作例を使わないのなら、ロードラインを引いて動作点を決める。ロードラインの引き方なども3極管と同じである。ただ、5極管はEp-Ip特性が3極管とずいぶん形が違っていて、次の図のようになっている。
![]() |
| 5極管と3極管の特性の違いと出力電力の様子 |
比べて見ると、5極管は左肩の部分があるせいで、ロードラインの直線をくまなく使えていることが分かる。それに対して3極管の方は左側にムダな部分がある。以前のここで説明したように、電力増幅の出力電力はロードライン上でのプレート電圧の変化幅とプレート電流の変化幅を掛け算して、これを8で割ることで求められる。と、いうことは、上図のグレーで示した三角形の面積が大きいほど出力が取れると言ってよい。そんなわけもあり、5極管は3極管より大きな電力を取り出せ、効率がいいと言われるわけだ。
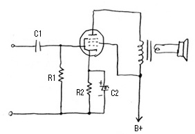
![]() |
5極管シングル電力増幅回路 |
![]() |
| 5極管と3極管の特性の違いと出力電力の様子 |
さて、線がやたらごちゃごちゃして見にくいと思うが、これはプレート電流の特性とスクリーングリッド電流の特性を一枚のグラフに収めたせいである。まずは点線を無視して、実線だけ見ていただきたい。
電源電圧の250Vを真上に伸ばし、曲線群との交点をどこにするか決める。ここではEg=-8Vの線との交点を動作点に取っている。図によりこのときのプレート電流は42mAである。あと、最大入力信号がグリッドに入って最大出力が得られているときの動作点だが、ここでは上の図のようにEg=-8Vを中心としてEg=-2VからEg=-14Vに振れる信号が入ったときで考えている。Epで言うと30V〜420V、Ipで言うと85mA〜7mAである。ではなぜ-2V〜-14Vなのかというと、特性の曲線をよく見るとこのあたりを越えると急に出力が歪みそうだからである。
■プレート損失とスクリーングリッド損失の検討
それではプレート損失PDを計算してみよう。
PD = 250(V) × 42×10-3(A) = 10.5W …(1式)規格表によると6BQ5の最大プレート損失は12Wなので、これを下回っており、この動作点はOKである。
Pg2 = 250(V) × 4.8×10-3 (A) = 1.2W …(2式)
規格表によると最大スクリーングリッド損失は2Wなので、これも下回っており、大丈夫である。
■クリーングリッド損失についてちょっと詳しい話
上記では、単純にスクリーングリッドの損失をスクリーングリッドの電流と電圧を掛け算して求めているが、これは信号が入力されていないときの話で、実は信号が入ったときは損失はこれよりもいくらか大きくなる。その理由を一応、書いておこう。
上のEp-Ip特性で、最大振幅の信号が入ったときのスクリーングリッド電流を読んでみよう。まず、信号が無いときは上述の通り、4.8mAである。次に、最大振幅が入ってEp=420Vになったときだが、このときのEgは-14Vで、Eg=-14Vの点線は図中に無いのだがEg=-12Vより下なのでスクリーングリッド電流はほとんどゼロなのが分かる。次に、最大振幅が入って反対にEp=30Vになったときだが、このときのEgは-2Vで、Eg=-2Vの点線はこのあたりで急速に上がっていて、およそ40mAぐらいにまでなっていることが分かる。
![]() |
最大信号入力時のスクリーングリッド電流 |
これから何がわかるかというと、右の図のように、最大入力信号が入ったときスクリーングリッドに流れる電流は信号によって上下するが、その上下がかなり激しく非対称になっている。ということは、流れる電流の平均値(直流成分と言ってもいい)は4.8mAにはならず、これを上回るということになるのである。今回のケースの場合、平均で10mAを超えるぐらいになる。
これがプレート電流のときだと、42mAを中心としてほぼ上下対称になるので平均値は42mAで変らない。
では、どうすればいいかというと、実際にはそれほど決め手はない。クソ真面目に最大信号時のスクリーングリッド平均電流からスクリーングリッド損失を計算して定格に収めるようにする、というのも一つのやり方である。ただ、たとえばオーディオアンプで最大出力のまま聞き続けることはあり得ないので、それほど厳しくない。あるいは逆に、ギターアンプは最大出力をさらに超えたところで使い続けるので、そもそもクソ真面目に気にしていたらまともに設計できない。
と、いうことで、こういう事実があるということを知って、設計に少し余裕を持たせる、ということを心がければいいと思う。
■カソード抵抗の計算
動作点が決まったので、次はカソード抵抗を計算しよう。カソード抵抗には、プレート電流とスクリーングリッド電流の両方が流れるので、これらを足し算した電流がカソード抵抗に流れる。バイアス電圧は-8Vで、このときのプレート電流が42mA、スクリーングリッド電流が4.8mAなのだから、カソード抵抗は
8V
R2 = -------------- = 170Ω …(3式)
42mA + 4.8mA
で170Ωと求められる。電源電圧はバイアス電圧分かさ上げし、258Vになる。
epp-p ・ ipp-p 390(V) × 78×10-3(A)
Po = --------------- = -------------------- = 3.8W …(4式)
8 8
となり、最大出力は3.8Wになった。また、この最大出力に必要な入力電圧は3極管のときと同じくロードラインの図から読み取ると12Vp-pと読める。前の6EM7という3極管のときは必要な信号電圧は66Vp-pだったから、この6BQ5の12Vp-pはずいぶんと小さい。一般的に言って、5極管は小さな入力信号で大きな出力が得られるのも特徴である。![]() |
ロードラインで設計した6BQ5シングル電力増幅回路 |
スクリーングリッドの扱いについて
さて、上記の設計ではスクリーングリッドの電圧をプレート電圧と同じにし、さらにB電源を250Vとトップダウン式に決めて、そのときの6BQ5のEp-Ip-特性を使ってやってみた。ここで、スクリーングリッド電圧をいろんな電圧にしようといじり始めると、けっこう厄介である。このときはEp-Ip特性自体が変わってしまうので、真空管の規格表にいろいろ載っている特性曲線などと首っ引きであれこれ検討することになる。
それから、実は、上述の例のように5極管シングルの電力増幅でスクリーングリッドをこのようにB電源から直接取ってしまうケースはあまりない。理由は以下の通りである。
スクリーングリッドの電圧を電源から直接取ったとき、電源にリップルが残っていると、このリップルがスクリーングリッドに加わり、コントロールグリッドと同じ原理でプレート電流を制御するので、リップル分が増幅されて出力に出てきて、ブーンというハムになる。これは、電源のリップルがそのまま出力トランスを通ってスピーカーに伝わって起こるハムよりはるかに大きく、出力管のスクリーングリッドはリップルにとても弱いのである。
もちろん、電源回路で発生するリップルが充分低ければいいのであるが、このスクリーングリッドだけのためにリップルを抑えるべく平滑コンデンサの増量などするのはあまり経済的ではない。ハムを半分に落とすだけで、例えば100μFのコンデンサを200μFと巨大にしなくてはいけないのだから。
そこで、この観点から言うと、下の図のようにスクリーングリッド電圧をR3で落とす回路の方がずっと有利である。以前の原理編の5極管電力増幅回路や5極管の電圧増幅回路設計のときと同じである。この場合、図のグレー部分がリップル除去の平滑回路を構成するので、C3に少し大きい電解コンデンサを使えばスクリーングリッドに入るリップルは激減する。このように、スクリーングリッドのバイパスコンデンサは、信号成分のバイパスの働きと同時に、電源電圧のリップル除去の役目も担っているのである。
![]() |
スクリーングリッド回路 |
さて、それでは、このR3をどのぐらいの大きさにするかだが、電力増幅の場合ここに一つ制限がある。上の方で、最大信号が入ったときはスクリーングリッド電流の平均値が無信号時よりもけっこう大きくなる、と説明した。実は、このR3が大きいと、スクリーングリッド電流の増加によってスクリーン電圧がガタッと下がってしまい、結果、特性が変り最大出力がだいぶ落ちてしまう、という事態が発生するのである。
たとえば、R3に20kΩの抵抗を使って、無信号時でおよそ100V(=20kΩ×4.8mA、実際はスクリーン電圧が低いので前述の動作点は成り立たないが、説明のためこのようにしている)スクリーン電圧を落とした設計にしているとしよう。さっきのように最大信号時のスクリーングリッド電流の平均値が5mAほど上昇するとすると、スクリーングリッド電圧はさらに100V(=20kΩ×5mA)も落ちることになり、これで特性が変り最大出力はガタッと落ちる。
というわけで、電力増幅の場合、このR3は大きくても2kΩぐらいどまりにするのが普通である。無信号時と最大信号時でパワーが変るということは直線性が悪いということで、最大出力が落ちるだけでなく、信号を圧縮したような歪みが発生する。
と、まあ、以上は例によってオーディオアンプのときの話で、ギターアンプの場合は単純に、R3があまり大きいと悪い、ということにはならない。たとえばフェンダーのアンプなどを見ると、ここに平気な顔をして10kΩぐらいの抵抗を使っていたりする。信号を圧縮するような特性は、いわゆるコンプレッサーがかかったような状態で、このR3の値でそういうトーンキャラクタを作っている、ということでもあるわけだ。