
トーンコントロールはその名の通り音のトーンを変えるもので、TREBLEとかBASSとかいうツマミがあってそれをグリグリ回すとアンプの周波数特性が変わってトーンが調整できる。むかしのステレオやカセットテレコなどには必ずついていたアクセサリーだが、さいきんのオーディオアンプでは原音忠実がふつうになりあまり見かけなくなった。録音技術が進歩したせいで、音のトーンはミキシング段階で完璧に作っているのでそのまま加工なしで聞いてくださいね、ということなのであろう。
一方、知っての通り、ギターアンプの方ではこのトーンコントロールはほぼ必須なアイテムである。Champのような小さいアンプ以外でトーンコントロールなしのアンプはほとんどない。ギターアンプのトーンコントロールはふつう、TREBLE(トレブル:高域)、MIDDLE(ミドル:中域)、BASS(ベース:低域)の3つがある。トーンをコントロールする、という意味ではこれらに加えて定番なのが、BRIGHTスイッチと、PRESENCEツマミであろう。
というわけで、ここではギターアンプのトーンコントロール回路とBRIGHTやPRESENCEについてお話しすることにしよう。
トーンコントロール回路
ギターアンプのトーンコントロール回路で何といっても定番なのが下の左の図のようなFenderの回路である。さて、常識的に考えると、これら3つのツマミをすべて真ん中にしたとき周波数特性がフラットになり、それを基準として3つのツマミをプラスマイナスに振ることで高中低域の周波数特性を上下できると思うのが自然であろう。ちょうどグラフィックイコライザーのノリである。しかし、実はこの回路ではそうなっていない。この回路でツマミを全部真ん中にすると下の右の図のような周波数特性になる。
![]() |
![]() |
Fenderの標準トーンコントロール回路 |
3つのツマミを真ん中にしたときの周波数特性 |

![]() |
![]() |
![]() |
BASSを変えたとき |
MIDDLEを変えたとき | TREBLEを変えたとき |
![]() |
![]() |
BRIGHT回路 |
BRIGHT回路の働き |
![]() |
| BRIGHT回路の周波数特性(C=120pF, VR=1MΩで音量1/4に絞ったとき) |
PRESENCEコントロール
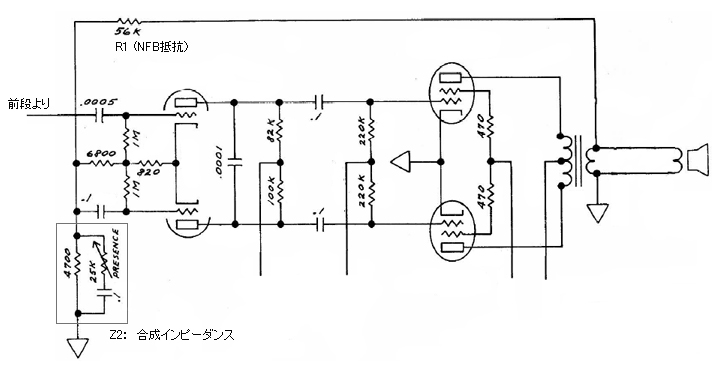
PRESENCEについてはNFBのところでも少し触れた。トーンの振る舞いとしては、PRESENCEを上げるほど高音がきつくなって輪郭のはっきりした音になる。このPRESENCEは、一般には次の図のような回路になっていて、これは出力段のNFB(負帰還)の量を調整して高域を持ち上げているのである。
![]() |
| PRESENCE回路(Fender Bassman 6G6-Bより) |
さて、この回路だが、NFBの量はNFB抵抗のR1と、図の四角で囲んだ部分の合成抵抗Z2(インピーダンス)の比で効いてくる。R1が大きいほどNFBが減ってゲインが上がり、Z2が大きいほどNFBが増えてゲインが下がる。このほかに帰還がかかっている増幅回路のゲインも関係するが、詳しくはNFBの項を参照していただきたい。
と、いうことでPRESENCEのVRの部分を見てみると、まずPRESENCEを絞ったときはVR値が最大で25kΩになっている。これは0.1μFのコンデンサと直列になっているので両者を合わせた抵抗値は25kΩより大きくなる。それで、並列に4.7kΩの抵抗が入っているということは、4.7kΩと25kΩ(以上)を並列にするのだから、これはほとんど4.7kΩに近い値になる。ということで、音のすべての帯域でほぼNFB量は一定で、NFB量はR1=56kΩとこの合成抵抗の4.7kΩで決まる。
ここでPRESENCEツマミを上げて行き、最大にしたとしよう。するとVRの値はゼロになる。そうすると、Z2の値は0.1μFと4.7kΩを並列にした値になる。コンデンサは高域ではインピーダンスが小さくほとんどゼロになる。するとZ2もゼロになり、このときのNFB量もゼロになる。つまりNFBがかからない状態になりゲインが上がる。一方、周波数が低いところではコンデンサのインピーダンスは大きくなり、これが十分に大きい低域では並列インピーダンスのZ2はほぼ4.7kΩになり、さっきのPRESENCEを絞りきったときと同じゲインになる。
このように、PRESENCEを上げると、高域のNFB量が減ることで高域のゲインが持ち上がるわけだ。これがPRESENCEで高音が上がる原理である。
もうひとつ面白いのが周波数特性によって歪み量が変わることだろう。というのは、NFBのところで説明したようにNFBをかけるとゲインが下がり歪みが減る。ということはPRESENCEで持ち上げられた高域はNFB量が下がっているのでゲインが上がると共に歪みも増えていることになる。PRESENCEを回しきると、単に高音が出るだけでなく、何となくギスギスしたような、とげとげしいような、それゆえに輪郭のはっきりしたような音になるが、それはこの高音の信号歪みが増えているせいもあると思う。PRESENCEというのはLED
ZEPPELINのアルバム名にもあるが、「存在感」みたいな意味である。なかなか面白いネーミングを考えるものである。