One of my hobbies i recently began is buiding tube amplifier. Here are some amps i built.

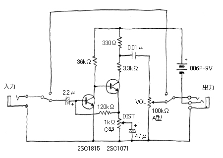
This is not an amp but is a pedal for an electric guitar. It makes a distortion sound for rock'n roll. This is a copy of the classic distortion pedal of "Fuzz Face" made long time ago in 60s. Jimi Hendrix used it with the Vox Wah pedal. I use two silicon transisters instead of germanium but those 2SC1815 and 2SC1071 are discontinued long time ago, so they're not available and it makes the pedal special. Those have low hfe which is suitable for getting great distortion sound. In fact, it sounds really nice and I used it for my gigs many times. And once in a while I even sold it for 100$. Also, I found my sketch of the circuit layout shown below so that anyone can make it themselves.

sound example

This is a small practice amp for my home in Sweden. My design polycy of building amplifier is little weird, I first choose the personnel of tube names regardless of circuit.
I insist the set of tube names that should sound nice to me. And I like this 6AQ5-6AQ5.
You know, 6AQ5 is a miniature power tube which is equivalent to 6V6GT. I use this power tube at pre-amp section, so it's unusual.
Although the noise level is relatively high because of the pentode used as pre-tube, the amp sounds really nice.
sound example

Now, I work and live in a small town of Sweden (Visby). This is an amp
i built in japan and put it in a suitcase. It has no power and heater
transformer in order to reduce its weight. I use two 50BM8 with
one-knob tone and a master volume to produce both clean and crunch all
the way to heavy distortion so called "Woman tone". Because it
uses tarnsformer-less circuit, actually it's dangerous because one
of the two AC power line is directly connected to the chassis! It could
shock you. But in here, I use another transformer to convert 230V to
100V, so it's no problem.
schematic

This
is a very luxury amp that i made for my friend "Mr. K". He's a
rich guy and ordered me this regardless of expense. So i used famous
300B as power tube and interstage trasformers with great apperrance. It
also has CR-type equalizing pre-amp for vynil record play.
schematic

This is the amp that i presented to the blues bar "Terraplane" in
Shibuya. I
know the owner very much and have been a long time customer. I gathered
available componetns in my junk box to make this, however this
amp sounds awesome.
schematic

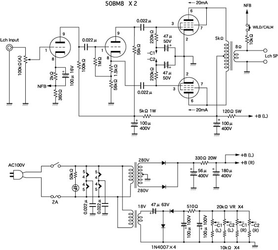
This is my first custom-made amp. My friend asked me to build the one.
Although he already has a high power solid-state amp (240W !) that he
uses as main audio equipment, he said he wanted to have a more rough
& wild tube amp. I designed and assembled this for him. I use 4
cheap 50bm8s in a push-pull circuit and obtain 8W+8W output power.
schematic

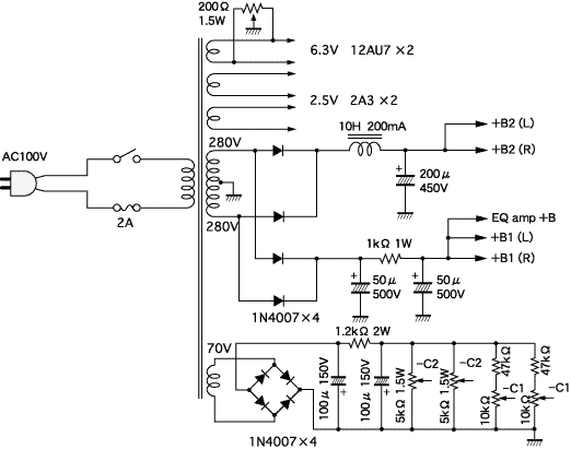
This is a high grade tube amp that i myself designed. I use famous
direct heating triode 2A3 as a single ended power tube and 12AU7 as a
driver. It uses big transformers and a choke, so it's big and very
heavy (12kg) and also cost a lot (still cheaper than buying one
though..)
schematic (amp)
schematic (power)


